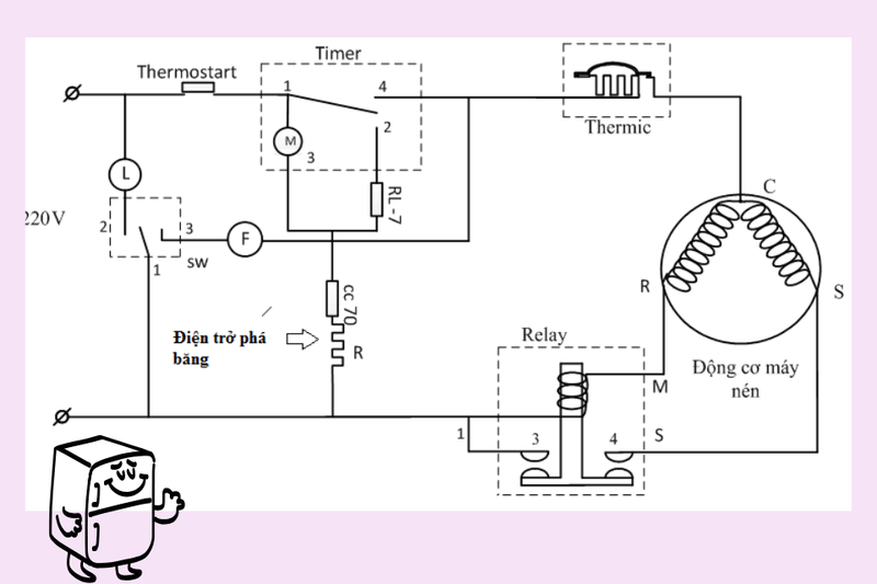
Sơ đồ mạch điện tủ lạnh đầy đủ – Kiến thức hữu ích để bảo trì, sửa chữa và sử dụng hiệu quả hơn 14 ngày trước Sơ đồ mạch điện tủ lạnh mang đến cái nhìn tổng thể về cấu tạo và cách thức hoạt động của thiết bị, từ máy nén, quạt gió đến các cảm biến nhiệt độ. Với sơ đồ này, bạn không chỉ dễ dàng học cách kiểm tra, sửa chữa mà còn có thể phòng tránh nhiều sự cố thường gặp. Sơ đồ mạch điện tủ lạnh giúp người dùng hiểu rõ cách dòng điện được truyền tải và phối hợp giữa các linh kiện trong thiết bị. Việc nắm vững sơ đồ không chỉ hỗ trợ khắc phục sự cố mà còn giúp bạn sử dụng tủ lạnh hiệu quả, tiết kiệm điện năng và duy trì tuổi thọ lâu dài. Với những ai chưa quen, việc đọc sơ đồ có thể hơi khó khăn.Chính vì vậy, FPT Shop sẽ mang đến những hướng dẫn chi tiết, giúp bạn tiếp cận sơ đồ mạch điện tủ lạnh một cách đơn giản và hiệu quả hơn.Tủ lạnh hoạt động như thế nào?Để hiểu rõ hơn về sơ đồ mạch điện tủ lạnh, trước hết, chúng ta cần nắm được nguyên lý hoạt động cơ bản của nó. Tủ lạnh hoạt động dựa trên chu trình tuần hoàn của môi chất lạnh (gas lạnh) trong một hệ thống kín. Chu trình này bao gồm các giai đoạn chính: nén, ngưng tụ, giãn nở và bay hơi. Máy nén (block) là "trái tim" của hệ thống, có nhiệm vụ nén môi chất lạnh ở thể khí thành áp suất và nhiệt độ cao.Sau đó, môi chất đi qua dàn nóng (dàn ngưng), tản nhiệt và hóa lỏng. Tiếp đến, môi chất lỏng đi qua van tiết lưu để giảm áp suất và nhiệt độ đột ngột, sau đó đi vào dàn lạnh (dàn bay hơi) bên trong tủ. Tại đây, môi chất bay hơi và thu nhiệt từ không khí trong tủ, làm cho nhiệt độ giảm xuống. Cuối cùng, môi chất khí lại quay về máy nén, tiếp tục chu trình.Tất cả các quá trình này được điều khiển bởi một hệ thống điện tử phức tạp, mà cốt lõi chính là sơ đồ mạch điện tủ lạnh.Các thành phần chính trên sơ đồ mạch điện tủ lạnhMột sơ đồ mạch điện tủ lạnh bao gồm nhiều linh kiện điện tử và cơ khí phối hợp với nhau để đảm bảo tủ hoạt động trơn tru. Dưới đây là những thành phần quan trọng nhất bạn cần nắm rõ:1. Máy nén (Compressor)Đây là bộ phận quan trọng nhất của hệ thống làm lạnh. Máy nén được xem là "trái tim" của tủ lạnh, có nhiệm vụ nén môi chất lạnh để tạo ra sự chênh lệch áp suất, giúp môi chất tuần hoàn trong hệ thống. Trên sơ đồ mạch điện tủ lạnh, máy nén thường được ký hiệu bằng một hình tròn với các cuộn dây bên trong.2. Rơ le khởi động (Starting Relay) và Bộ bảo vệ nhiệt (Overload Protector)Hai bộ phận này luôn đi kèm với máy nén để đảm bảo an toàn. Rơ le khởi động có nhiệm vụ cung cấp dòng điện mạnh ban đầu để máy nén có thể vận hành. Ngay sau khi máy nén hoạt động ổn định, rơ le sẽ tự động ngắt kết nối. Trong khi đó, bộ bảo vệ nhiệt (Overload Protector), còn gọi là Rơ le bảo vệ nhiệt, có chức năng chính là bảo vệ máy nén khỏi tình trạng quá nhiệt hoặc quá tải dòng điện.Khi dòng điện qua máy nén tăng đột biến hoặc máy nén hoạt động quá lâu làm nhiệt độ tăng cao, bộ bảo vệ nhiệt sẽ tự động ngắt mạch để ngăn ngừa hư hỏng. Đây là một chi tiết nhỏ nhưng vô cùng quan trọng trên bất kỳ sơ đồ mạch điện tủ lạnh nào.3. Quạt gió (Fan)Tùy thuộc vào thiết kế, tủ lạnh có thể có quạt dàn lạnh và quạt dàn nóng. Quạt dàn lạnh thổi hơi lạnh đi khắp khoang tủ để duy trì nhiệt độ đồng đều. Quạt dàn nóng giúp tăng tốc độ tản nhiệt của dàn ngưng tụ, làm tăng hiệu suất làm lạnh.4. Bộ điều chỉnh nhiệt độ (Thermostat)Thermostat là bộ phận điều khiển nhiệt độ bên trong tủ. Nó có nhiệm vụ cảm biến nhiệt độ và đóng/mở mạch điện cung cấp cho máy nén. Khi nhiệt độ trong tủ đạt mức cài đặt, thermostat sẽ ngắt điện, và khi nhiệt độ tăng lên, nó sẽ cấp điện trở lại. Đây là một điểm cực kỳ quan trọng trên sơ đồ mạch điện tủ lạnh, giúp tiết kiệm điện năng và duy trì nhiệt độ ổn định.5. Hệ thống xả đá (Defrost System)Trong quá trình hoạt động, dàn lạnh sẽ bị đóng tuyết. Lớp tuyết này cản trở quá trình trao đổi nhiệt, làm giảm hiệu suất làm lạnh. Hệ thống xả đá được thiết kế để loại bỏ lớp tuyết này một cách tự động. Hệ thống này bao gồm:Timer xả đá (Defrost Timer): Bộ phận này sẽ hẹn giờ để chuyển đổi chu trình từ làm lạnh sang xả đá.Điện trở xả đá (Defrost Heater): Một thanh nhiệt được đặt gần dàn lạnh, có nhiệm vụ làm tan tuyết khi được cấp điện.Sò lạnh (Defrost Thermostat): Cảm biến này sẽ ngắt điện trở xả đá khi dàn lạnh đã tan hết tuyết để tránh quá nhiệt.Tất cả các thành phần này được kết nối logic trên sơ đồ mạch điện tủ lạnh để hoạt động hiệu quả.6. Quạt dàn lạnh (Evaporator Fan) và Quạt dàn nóng (Condenser Fan)Quạt dàn lạnh giúp phân tán hơi lạnh đều khắp các ngăn tủ, trong khi quạt dàn nóng giúp tăng tốc độ tản nhiệt của dàn ngưng. Việc nắm rõ vị trí và chức năng của các loại quạt này trên sơ đồ mạch điện tủ lạnh giúp bạn dễ dàng hơn trong việc sửa chữa khi chúng gặp sự cố.7. Bóng đèn chiếu sángMột bộ phận nhỏ nhưng không thể nào thiếu. Đèn thường được gắn ở ngăn mát, bật sáng khi mở cửa. Tuy đơn giản, nhưng đèn cũng là một phần trong sơ đồ mạch điện, kết nối với công tắc cửa.Sơ đồ mạch điện tủ lạnh 1 cánh và 2 cánhSơ đồ mạch điện tủ lạnh có sự khác biệt rõ rệt tùy thuộc vào công nghệ và kiểu dáng của từng loại tủ. Dưới đây là những loại sơ đồ phổ biến nhất:Tủ lạnh truyền thống (cơ): Đây là loại tủ lạnh phổ biến, sử dụng bộ điều chỉnh nhiệt độ cơ học (thermostat). Sơ đồ mạch điện tủ lạnh loại này khá đơn giản, chỉ gồm các linh kiện cơ bản như máy nén, rơ le, và đèn.Tủ lạnh Inverter: Loại tủ này sử dụng công nghệ biến tần, được điều khiển bởi một bo mạch điện tử. Sơ đồ mạch điện tủ lạnh Inverter phức tạp hơn, nhưng giúp máy nén hoạt động êm ái, tiết kiệm điện năng hơn.Tủ lạnh Side-by-Side (cao cấp): Đây là dòng tủ lạnh hiện đại, tích hợp nhiều tính năng thông minh như làm đá tự động, lấy nước ngoài. Sơ đồ mạch điện tủ lạnh loại này rất phức tạp, với nhiều cảm biến và bo mạch điều khiển riêng biệt cho từng chức năng.Mẹo nhỏ: Nếu bạn muốn tìm sơ đồ của model tủ lạnh nhà mình, hãy kiểm tra ở mặt sau hoặc sổ hướng dẫn sử dụng.→ Hiểu được sự khác biệt này sẽ giúp bạn dễ dàng xác định loại tủ lạnh và cách tiếp cận đúng khi cần kiểm tra hoặc sửa chữa.Cách đọc và hiểu sơ đồ mạch điện tủ lạnh dễ dàngĐừng lo lắng nếu bạn nghĩ sơ đồ mạch điện tủ lạnh toàn là những ký hiệu khó hiểu. Thực ra, bạn chỉ cần tuân theo một vài nguyên tắc cơ bản để "giải mã" nó:Bước 1: Nhận diện nguồn điệnTrước tiên, hãy tìm ký hiệu của nguồn điện (thường là L – dây nóng và N – dây nguội). Đây là điểm bắt đầu của mọi đường đi của dòng điện.Bước 2: Theo dõi đường đi của điện & xác định thiết bị đóng – ngắt mạchBắt đầu từ nguồn, quan sát xem dòng điện đi qua những linh kiện nào. Hãy theo dõi các đường dây nối, chúng sẽ dẫn bạn đến từng bộ phận trong hệ thống.Tìm các linh kiện có chức năng điều khiển dòng điện như rơ le, thermostat, công tắc cửa. Đây là những "công tắc" quan trọng, quyết định khi nào một bộ phận được cấp điện.Nhận diện các ký hiệu cơ bản:Compressor (C): Máy nén.Thermostat (Th): Bộ điều chỉnh nhiệt độ.Relay (R): Rơ le khởi động.Protector (P): Bộ bảo vệ máy nén.Lamp (L): Đèn chiếu sáng.Fan (F): Quạt gió.Bước 3: Phân tích các nhánh mạchSơ đồ mạch điện tủ lạnh thường được chia thành nhiều nhánh nhỏ. Ví dụ, một nhánh sẽ điều khiển máy nén, một nhánh điều khiển quạt, một nhánh điều khiển đèn. Hãy phân tích từng nhánh một để hiểu rõ chức năng của từng bộ phận.Với cách tiếp cận này, bạn sẽ thấy sơ đồ mạch điện tủ lạnh không còn là một bản vẽ phức tạp, mà giống như một bản đồ với các tuyến đường rõ ràng.Các lỗi và cách chẩn đoán dựa vào sơ đồ mạch điện tủ lạnhNắm được sơ đồ mạch điện tủ lạnh sẽ giúp bạn dễ dàng hơn trong việc chẩn đoán các lỗi thường gặp:Tủ lạnh không hoạt độngKiểm tra nguồn điện (ổ cắm, dây điện).Dùng đồng hồ đo điện kiểm tra các linh kiện trên sơ đồ: máy nén, rơ le khởi động, thermostat. Nếu một trong các linh kiện này bị hỏng, dòng điện sẽ bị ngắt và tủ không thể hoạt động.Tủ lạnh làm lạnh kémKiểm tra quạt của dàn lạnh và dàn nóng. Nếu quạt không quay, việc trao đổi nhiệt sẽ bị cản trở. Dựa vào sơ đồ mạch điện tủ lạnh, bạn có thể kiểm tra xem có dòng điện đi đến quạt không.Kiểm tra hệ thống xả đá. Nếu hệ thống này hỏng, tuyết sẽ bám đầy dàn lạnh, làm giảm hiệu suất.Tủ lạnh chạy liên tục không ngắtLỗi này thường do thermostat bị hỏng hoặc cảm biến nhiệt độ gặp vấn đề. Dựa vào sơ đồ mạch điện tủ lạnh, bạn có thể kiểm tra xem thermostat có đóng mạch liên tục hay không.Lưu ý khi thao tác với sơ đồ mạch điện tủ lạnhAn toàn luôn là ưu tiên hàng đầu. Đừng vì tò mò mà tự ý tháo lắp khi chưa có đủ kiến thức. Nên bạn phải:Rút, ngắt nguồn điện trước khi kiểm tra.Dùng dụng cụ bảo hộ như găng tay cách điện, đồng hồ đo.Tham khảo đúng sơ đồ theo model máy, tránh nhầm lẫn.Nếu bạn không chắc chắn, tốt nhất hãy gọi thợ.Tạm kếtViệc hiểu rõ sơ đồ mạch điện tủ lạnh không chỉ giúp bạn tự tin xử lý những sự cố thường gặp mà còn tạo thói quen sử dụng thiết bị khoa học, tiết kiệm điện năng và kéo dài tuổi thọ sản phẩm. Đây chính là “bí quyết” để bạn khai thác tối đa giá trị mà một chiếc tủ lạnh mang lại cho cuộc sống hằng ngày.Để an tâm về chất lượng và nâng tầm trải nghiệm sống, hãy chọn ngay tủ lạnh chính hãng tại FPT Shop. Sản phẩm không chỉ được trang bị công nghệ làm lạnh hiện đại, tiết kiệm điện, mà còn đi kèm dịch vụ hậu mãi uy tín, nhiều ưu đãi hấp dẫn và chính sách trả góp linh hoạt. Một chiếc tủ lạnh mới sẽ giúp thực phẩm của gia đình bạn luôn tươi ngon, căn bếp thêm tiện nghi và hiện đại hơn. Đừng bỏ lỡ cơ hội sở hữu ngay hôm nay để cảm nhận sự khác biệt! Link bài viết: fptshop.com.vn Facebook Google Tweet Danh mục thủ thuật Bài viết liên quan Cà phê để qua đêm trong tủ lạnh: Những điều bạn cần biết trước khi thưởng thứcCà phê để qua đêm trong tủ lạnh là thói quen phổ biến của nhiều người bận rộn, giúp tiết kiệm thời gian cho buổi sáng. Tuy nhiên, việc bảo quản không đúng cách có thể ảnh hưởng đến hương vị và chất lượng. Vậy cà phê để qua đêm có an toàn và ngon miệng không? Cách bảo quản đậu phụ khi không có tủ lạnh: Hướng dẫn chi tiết từ A-Z cực đơn giảnĐậu phụ nhanh hỏng nếu không được bảo quản đúng cách, đặc biệt là khi không có tủ lạnh. Bài viết này FPT Shop sẽ hướng dẫn bạn chi tiết nhất các phương pháp truyền thống và mẹo dân gian giúp giữ đậu phụ luôn tươi ngon, an toàn và dinh dưỡng lâu dài hơn nhé. Cách làm bánh bí đỏ chiên thơm ngon, bổ dưỡng đơn giản tại nhà ai cũng làm đượcBánh bí đỏ chiên là món ăn vặt dân dã, giòn rụm bên ngoài, mềm ngọt bên trong, mang đến hương vị khó quên. Từ nguyên liệu quen thuộc hằng ngày, cách làm đơn giản, món bánh này không chỉ ngon miệng mà còn giàu dinh dưỡng, thích hợp cho cả gia đình thưởng thức. Nướng lại bánh mì bằng lò nướng như thế nào để đảm bảo độ giòn và vị ngon đúng điệu?Không gì tuyệt vời bằng chiếc bánh mì nóng hổi, vỏ giòn rụm, ruột mềm thơm vào mỗi buổi sáng. Tuy nhiên, nếu để nguội hoặc qua ngày, bánh dễ trở nên dai và kém hấp dẫn. Vậy nướng lại bánh mì bằng lò nướng như thế nào để giữ được độ giòn và hương vị đúng điệu? Cùng tìm hiểu nhé! Tự tay làm bánh quy chocolate chip Halloween đầy ấn tượng cho bữa tiệc cuối tháng 10Để làm bánh quy chocolate chip Halloween, bạn hãy bắt đầu từ những nguyên liệu đơn giản như bánh quy, kẹo phủ màu và kẹo trang trí. Sau đó, bạn chỉ cần nhúng bánh vào phần kẹo đã đun chảy, rắc thêm topping và để bánh đông lại. Cuối cùng, bạn sẽ có ngay một điểm nhấn ấn tượng cho bữa tiệc Halloween. Bí quyết làm bánh muffin socola chip mềm ẩm, thơm ngậy, ai ăn cũng khen ngon tấm tắcĐể làm bánh muffin socola chip, bạn hãy chuẩn bị đầy đủ nguyên liệu với tỉ lệ chính xác, trộn đúng kỹ thuật và nướng ở nhiệt độ phù hợp. Chỉ cần thực hiện theo từng bước một cách cẩn thận, bạn sẽ có được những chiếc muffin mềm ẩm, thơm mùi bơ sữa và ngập tràn socola chip tan chảy hấp dẫn tại nhà. Hướng dẫn cách làm bánh quy chocolate chip Halloween ngộ nghĩnh và siêu dễ ngay tại nhàBánh quy chocolate chip Halloween là món ăn vặt vừa thơm ngon, béo ngậy vừa mang vẻ ngoài độc đáo cho ngày lễ hóa trang. Chỉ với vài nguyên liệu quen thuộc và cách làm đơn giản, bạn có thể tự tay tạo nên những chiếc bánh hấp dẫn để chiêu đãi gia đình, bạn bè. Khám phá bánh rán mặn Hà Nội: Giòn rụm bên ngoài, đậm đà bên trong ngon khó quênBánh rán mặn Hà Nội là món ăn vặt dân dã, gắn liền với ký ức tuổi thơ của nhiều người. Lớp vỏ giòn rụm, nhân thịt mộc nhĩ đậm đà, ăn kèm nước chấm chua ngọt cay nhẹ tạo nên hương vị khó quên, khiến thực khách thưởng thức một lần là nhớ mãi. Khám phá ngay nhé. Hướng dẫn cách test lỗi máy giặt Sanyo chi tiết từ A đến Z cho người không chuyênKhi biết cách test lỗi máy giặt Sanyo, bạn sẽ có thể tự mình kiểm tra, phát hiện và hiểu được nguyên nhân khiến máy hoạt động bất thường. Nhờ đó, bạn sẽ dễ dàng xử lý các lỗi đơn giản, tiết kiệm thời gian và chi phí sửa chữa. Quan trọng hơn, bạn sẽ biết lúc nào nên gọi thợ. Sơ đồ mạch điện tủ lạnh đầy đủ – Kiến thức hữu ích để bảo trì, sửa chữa và sử dụng hiệu quả hơnSơ đồ mạch điện tủ lạnh mang đến cái nhìn tổng thể về cấu tạo và cách thức hoạt động của thiết bị, từ máy nén, quạt gió đến các cảm biến nhiệt độ. Với sơ đồ này, bạn không chỉ dễ dàng học cách kiểm tra, sửa chữa mà còn có thể phòng tránh nhiều sự cố thường gặp. Xem tất cả